
非現場執法系統是在道路主線路面上設置的,對行駛的貨運車輛進行無人值守檢測的信息系統。系統可實現對超限超載車輛的24小時不停車超限超載監控,有效的解決治超執法人員不足、取證困難、超限超載安全隱患等問題。系統具有檢測效率高、檢測數據準確、自動化程度高、配置靈活等特點。為交通部門實施有效的超限、超載管理提供了強有力的手段。

非現場執法系統通過高速稱重、視頻識別、輪廓檢測等技術的綜合運用,實現對行駛車輛的車貨總重、軸數、速度、軸重、輪重、車型、輪廓、車輛牌照、現場照片等進行檢測。對檢測數據進行匯總和發布,可與各級治超平臺進行聯網,實現數據共享和治超聯動。同時通過引入物聯網、云平臺、大數據等手段,進一步挖掘檢測信息的內涵,實現非現場執法等多種擴展應用。


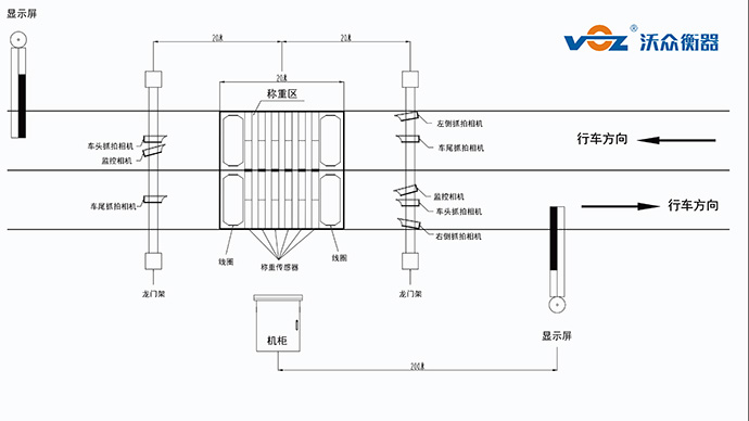
非現場執法系統主要包含高速動態稱重子系統、智能車牌識別子系統、視頻監控子系統、信息顯示子系統、軟件子系統、數據傳輸子系統、其它輔助設備等組成,各系統既相互獨立又協同運行,可根據不同應用場景選配不同組合實現相應功能。


被檢測車輛經過檢測系統,觸發感應線圈啟動檢測,動態稱重子系統檢測車輛軸重、總重等稱重信息,智能車牌識別子系統檢測車輛牌號、完成車輛抓拍等,所有信息匯入路側數據服務器。由路側數據服務器中無人值守軟件完成數據匹配和匯總,形成一個完整的車輛信息,同時根據預設的超限閥值判斷該車輛是否超限,按要求將超限信息發布至場外LED顯示屏上。此外,通過網絡與管理平臺進行互聯,將檢測數據實時上傳至相關管理系統,實現數據共享和治超聯動。

技術參數 |
指標值 |
檢測精度 |
動態精度:整車總重量5級,軸載荷E級 |
速度范圍 |
檢測速度0.5-100Km/h |
荷載能力 |
≥30t |
過載能力 |
≥150% |
輸出信息 |
包括車速、車軸數量、輪重、軸重、軸組重、總重、車型等信息。 |
供電方式 |
AC220V±10% ,50Hz±3Hz |